DEFINITY Made Easy Home Page Table of contents Previous page Next page Index Links Frequently asked questions
Go to Upgrades for si Go to Installation for MCC Go to Installation for SCC



Connect Mixed AC/DC Power and Ground

Return to Task List

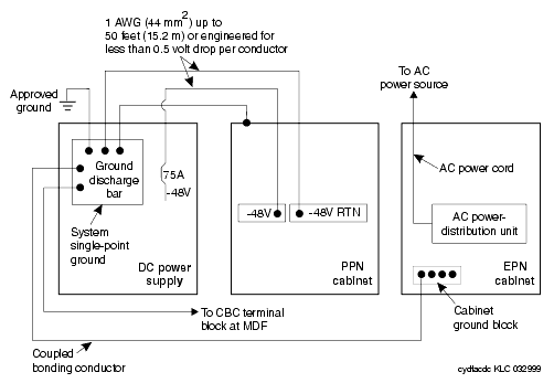
Typical Power and Ground for a Mixed AC/DC-Powered Cabinet shows a power and ground layout for a mixed AC/DC-powered cabinet configuration in the same equipment room with the PPN being DC powered and the EPN being AC powered. If a second EPN is part of the system, use the same basic connections.

Typical Power and Ground for a Mixed AC/DC-Powered Cabinet

Return to Task List


DEFINITY Made Easy Home Page Table of contents Previous page Next page Index Links Frequently asked questions
Go to Upgrades for si Go to Installation for MCC Go to Installation for SCC
Copyright 2002 Avaya Inc.
Send comments to MadeEasy Development Team



Always check at the Made Easy Web site for the most current information.