DEFINITY Made Easy Home Page Table of contents Previous page Next page Index Links Frequently asked questions
Go to Upgrades for si Go to Installation for MCC Go to Installation for SCC



Connect DC Power and Ground

Return to Task List


Caution! Grounding of the system shall comply with the general rules for grounding contained in Article 250 of the National Electrical Code, NFPA 70. For more information, refer to Approved Grounds.

The grounding methods for the DC-powered system are more complex than that of an AC-powered system.

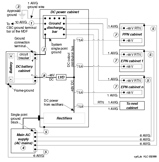
Typical Power and Ground for a DC-Powered Cabinet shows a typical power and ground layout for a DC-powered cabinet. The size of the wire required for the -48 volt DC and -48 volt return must ensure the voltage supplied by the battery plant is maintained between -42.5 and -54.2 volts DC at all times for proper operation and to prevent hardware damage. The wire must be sized for a maximum voltage drop of 0.5 VDC in each leg of the DC distribution. This procedure applies to both PPN and EPN cabinets.

Task List: Connect DC Power and Ground

Perform these tasks to connect DC power and ground, power distribution unit (J58890CH-1 Only):

  1. Install Rectifier Modules and Battery Interface Unit

  2. Connect Power and Ground(s)

Perform these tasks to connect DC Power and Ground (J58890CF Only):


Note: These installation tasks correspond to the numbers in Typical Power and Ground for a DC-Powered Cabinet:

  1. Install Coupled Bonding Conductor Wires

  2. Connect DC Battery and Power Cabinet Grounds

  3. Connect DC Power Cabinet Approved Ground

  4. Connect AC Power to DC Power Cabinet

  5. Connect Ground Wires for DC-Powered Systems

  6. Turn Circuit Breakers Off

  7. Connect DC Power to PPN and EPN Cabinets

  8. Connect DC Battery Cabinet to DC Power Cabinet

  9. If necessary, Connect Mixed AC/DC Power and Ground

Typical Power and Ground for a DC-Powered Cabinet

Return to Task List


DEFINITY Made Easy Home Page Table of contents Previous page Next page Index Links Frequently asked questions
Go to Upgrades for si Go to Installation for MCC Go to Installation for SCC
Copyright 2002 Avaya Inc.
Send comments to MadeEasy Development Team



Always check at the Made Easy Web site for the most current information.